鋁合金高鎖螺母金相分析
鋁合金2A10高鎖螺母
(1) 鋁合金2A10高鎖螺母,實物形貌見圖6-66。
圖6-66 高鎖螺母實物形貌
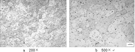
(2)鋁合金2A10高鎖螺母成品金相組織,見圖6-67。
圖6-67 2A10高鎖螺母成品熱處理的金相組織
2A01鋁合金鉚釘熱處理工藝:固溶:鋁合金淬火爐 498℃ 45min
時效:自然時效 96 h

您可能還在搜: 無損檢測緊固件檢測軸承檢測浙江綜合實驗機構(gòu)

鋁合金2A10高鎖螺母
(1) 鋁合金2A10高鎖螺母,實物形貌見圖6-66。
圖6-66 高鎖螺母實物形貌
(2)鋁合金2A10高鎖螺母成品金相組織,見圖6-67。
圖6-67 2A10高鎖螺母成品熱處理的金相組織
2A01鋁合金鉚釘熱處理工藝:固溶:鋁合金淬火爐 498℃ 45min
時效:自然時效 96 h
